传世调味 百年谈球吧(中国)官方网站
项目名称:谈球吧(中国)官方网站传染源自动监控设施验收
单元地址:广东省鹤山市古劳镇麦水工业区3号
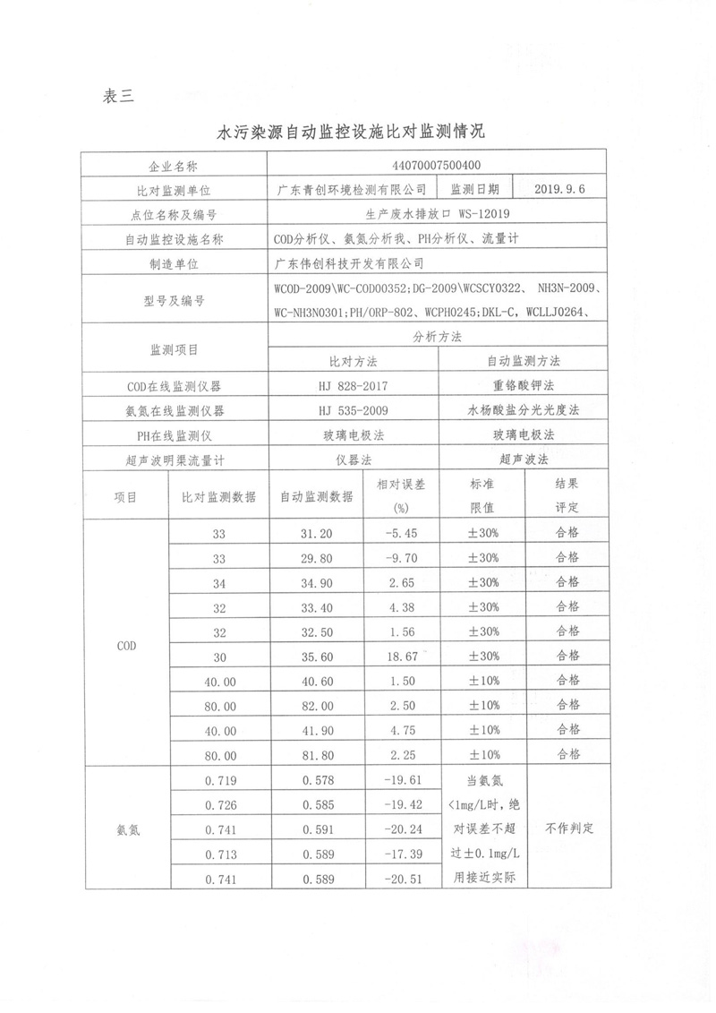
公示内容:传染源自动监控设施验收表(蕴含根基情况表/联网情况表/比对监测情况表/验收组成员名单/现场验收表/验收定见)
公示功夫:自公示起20个工作日
公家定见投递:公示期间若公家在查阅本传染源自动监控设施验收表时,对本验收表有疑难或者定见,请以书面大局反馈,幼我须署真实姓名,单元须加盖公章
联系人:宋先生
联系电话:0750-8773169








